最終値下げ aer dual mix pocket tools 初代機 美品
(3416件)
Pontaパス特典
サンキュー配送
32450円(税込)
325ポイント(1%)
Pontaパス会員ならさらに+1%ポイント還元!
送料
(
)
6
配送情報
お届け予定日:2026.05.01 8:44までにお届け
※一部地域・離島につきましては、表示のお届け予定日期間内にお届けできない場合があります。
ロットナンバー
20252264305
お買い物の前にチェック!
Pontaパス会員なら
ポイント+1%
ポイント+1%
商品説明
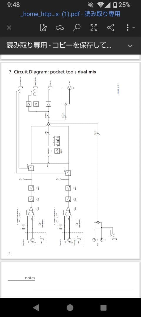
今だけ値下げ中です。ギター NeuralDSP QUADCORTEX LimitedEdition。アコースティック楽器用ミキサー兼プリアンプです。ギター fractal audio systems AX8。特に人気ギター奏者、トミーエマニュエルの使用で有名です。ギター wizElectro Harmonix Deluxe Memory Man。2025年8月に中古で購入したものです。マジで最高峰!SUNFACE NKT275 Red Dot Analog.man。動作確認済み、美品。ギター AXE-FX3 fractal audio。写真のものですべてです。週末セール line6 helix floor krp-001 k.e.s。ギター2本をつなぎ、同時または交互に演奏ができます。ギター Kemper Profiler player LVL III。あるいは、ピエゾマイクとマイクの両方をブレンドする使い方も可能です。ギター fractal audio system AXE FX3 mark2。さらには、ボーカルマイクを繋げるとミキサーに頼らずに弾き語りライブを開催することもできます。ギター Rui_0421 Neural DSP Quad Cortex。初代機は販売終了しており、中古市場ではほとんど出回っておらず大変希少です。BOSS Over Drive ODー1 シリアル 6600 1978年1月製造。名機compact 60のアンプ部のみを取り出した仕様で、これをPAにつなげるだけでライブを開催できます。ギター helix lt。エコー、ディレイ、コーラスのエフェクター付き。2SK121 マレーシアンチップ ヴィンテージ Ibanez TS-808。ファンタム電源24v供給可能。LANDGRAFF Dynamic Overdrive ランドグラフ。写真の英文マニュアルはネットで入手できます。ギター Roland RE-201 SPACE ECHO。 日本語マニュアルは後継機dual mix 2のものしか見つかりません。Line 6 Helix Floor マルチエフェクター。仕様は異なりますが参考になります。Fender Tone Master Pro&専用ペダル マルチエフェクター。お店の情報
7,367
連絡・応対
4.3
配送スピード
4.3
梱包
4.3










